
Air cooling, water cooling from design to production with thermal simulation service
| NO. | Width(mm) | Height(mm) | Weight(kg/m) | Preview | Notes |
| WD-02833 | 129.600 | 129.600 | 7.700 | ![]() |
|
| WD-02834 | 259.530 | 54.990 | 7.220 | ![]() |
|
| WD-02835 | 118.000 | 72.200 | 3.640 | ![]() |
|
| WD-02836 | 158.000 | 37.500 | 1.950 | ![]() |
|
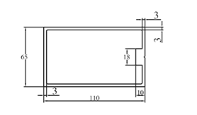
| WD-02837 | 110.000 | 65.000 | 3.100 | ![]() |
|
| WD-02838 | 125.000 | 55.000 | 1.920 | ![]() |
