
Air cooling, water cooling from design to production with thermal simulation service
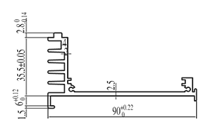
| NO. | Width(mm) | Height(mm) | Weight(kg/m) | Preview | Notes |
| WD-02815 | 90.000 | 35.500 | 1.270 | ![]() |
|
| WD-02816 | 29.000 | 8.000 | 0.380 | ![]() |
|
| WD-02817 | 45.000 | 20.000 | 0.970 | ![]() |
|
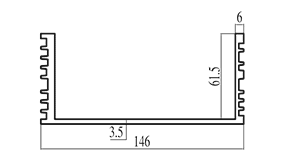
| WD-02818 | 146.000 | 61.500 | 3.190 | ![]() |
|
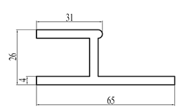
| WD-02819 | 65.000 | 26.000 | 1.230 | ![]() |
|
| WD-02820 | 45.000 | 17.000 | 0.850 | ![]() |
