
Air cooling, water cooling from design to production with thermal simulation service
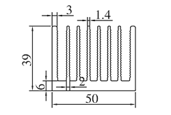
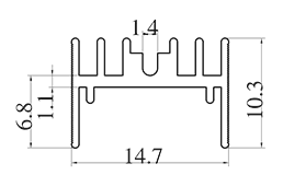
| NO. | Width(mm) | Height(mm) | Weight(kg/m) | Preview | Notes |
| WD-02437 | 50.000 | 39.000 | 2.300 | ![]() |
|
| WD-02438 | 14.700 | 10.300 | 0.119 | ![]() |
|
| WD-02439 | 143.000 | 90.000 | 12.000 | ![]() |
|
| WD-02440 | 80.000 | 45.000 | 1.886 | ![]() |
|
| WD-02441 | 254.000 | 40.000 | 7.700 | ![]() |
|
| WD-02442 | 210.000 | 27.500 | 4.570 | ![]() |
