
Air cooling, water cooling from design to production with thermal simulation service
| NO. | Width(mm) | Height(mm) | Weight(kg/m) | Preview | Notes |
| WD-02431 | 100.000 | 49.000 | 2.640 | ![]() |
|
| WD-02432 | 204.000 | 56.000 | 9.750 | ![]() |
|
| WD-02433 | 79.000 | 43.800 | 2.230 | ![]() |
|
| WD-02434 | 55.000 | 28.000 | 1.600 | ![]() |
|
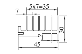
| WD-02435 | 45.000 | 30.000 | 0.920 | ![]() |
|
| WD-02436 | 114.000 | 84.000 | 10.600 | ![]() |
