
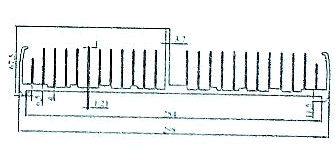
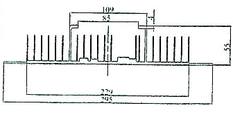
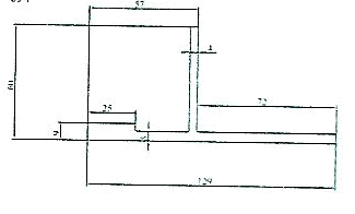
Air cooling, water cooling from design to production with thermal simulation service
| NO. | Width(mm) | Height(mm) | Weight(kg/m) | Preview | Notes |
| WD-02299 | 295.000 | 38.000 | 15.060 | ![]() |
|
| WD-02300 | 295.000 | 55.000 | 6.020 | ![]() |
|
| WD-02301 | 295.000 | 78.500 | 18.380 | ![]() |
|
| WD-02302 | 129.000 | 60.000 | 2.620 | ![]() |
|
| WD-02303 | 297.000 | 16.300 | 12.070 | ![]() |
|
| WD-02304 | 298.000 | 67.500 | 7.930 | ![]() |
