
Air cooling, water cooling from design to production with thermal simulation service
| NO. | Width(mm) | Height(mm) | Weight(kg/m) | Preview | Notes |
| WD-02113 | 130.000 | 95.000 | 18.510 | ![]() |
|
| WD-02114 | 130.000 | 95.000 | 14.200 | ![]() |
|
| WD-02115 | 130.000 | 110.000 | 10.350 | ![]() |
|
| WD-02116 | 131.400 | 92.000 | 4.990 | ![]() |
|
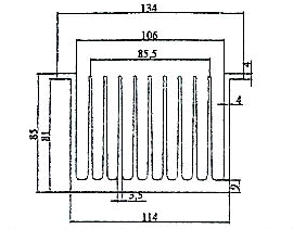
| WD-02117 | 134.000 | 85.000 | 9.040 | ![]() |
|
| WD-02118 | 136.000 | 72.500 | 6.000 | ![]() |
