
Air cooling, water cooling from design to production with thermal simulation service
| NO. | Width(mm) | Height(mm) | Weight(kg/m) | Preview | Notes |
| WD-02089 | 162.000 | 6.000 | 1.860 | ![]() |
|
| WD-02090 | 164.000 | 7.000 | 1.430 | ![]() |
|
| WD-02091 | 165.500 | 14.200 | 1.610 | ![]() |
|
| WD-02092 | 75.000 | 75.000 | 6.420 | ![]() |
|
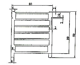
| WD-02093 | 80.000 | 90.000 | 6.390 | ![]() |
|
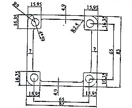
| WD-02094 | 83.000 | 83.000 | 5.240 | ![]() |
