
Air cooling, water cooling from design to production with thermal simulation service
| NO. | Width(mm) | Height(mm) | Weight(kg/m) | Preview | Notes |
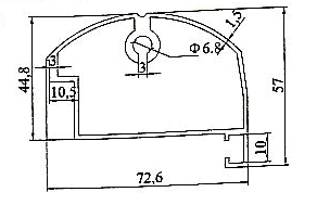
| WD-01807 | 72.600 | 57.000 | 1.250 | ![]() |
|
| WD-01808 | 73.000 | 9.500 | 1.020 | ![]() |
|
| WD-01809 | 73.000 | 10.950 | 0.439 | ![]() |
|
| WD-01810 | 73.000 | 10.500 | 0.625 | ![]() |
|
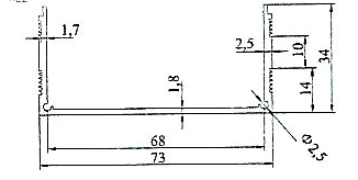
| WD-01811 | 73.000 | 34.000 | 0.721 | ![]() |
|
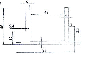
| WD-01812 | 73.000 | 46.000 | 2.180 | ![]() |
