
Air cooling, water cooling from design to production with thermal simulation service
| NO. | Width(mm) | Height(mm) | Weight(kg/m) | Preview | Notes |
| WD-01795 | 70.000 | 42.000 | 2.420 | ![]() |
|
| WD-01796 | 70.000 | 49.800 | 2.860 | ![]() |
|
| WD-01797 | 70.300 | 42.500 | 2.580 | ![]() |
|
| WD-01798 | 71.000 | 40.000 | 2.770 | ![]() |
|
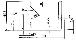
| WD-01799 | 71.000 | 45.500 | 2.233 | ![]() |
|
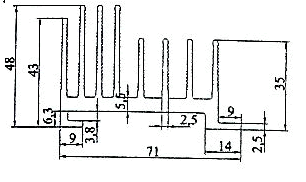
| WD-01800 | 71.000 | 48.000 | 2.430 | ![]() |
