
Air cooling, water cooling from design to production with thermal simulation service
| NO. | Width(mm) | Height(mm) | Weight(kg/m) | Preview | Notes |
| WD-01561 | 34.200 | 12.000 | 0.624 | ![]() |
|
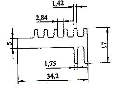
| WD-01562 | 34.200 | 17.000 | 0.642 | ![]() |
|
| WD-01563 | 34.300 | 51.400 | 0.542 | ![]() |
|
| WD-01564 | 34.700 | 3.400 | 0.195 | ![]() |
|
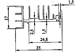
| WD-01565 | 35.000 | 16.500 | 0.327 | ![]() |
|
| WD-01566 | 35.000 | 17.000 | 0.328 | ![]() |
