
Air cooling, water cooling from design to production with thermal simulation service
| NO. | Width(mm) | Height(mm) | Weight(kg/m) | Preview | Notes |
| WD-01441 | 15.880 | 53.980 | 0.640 | ![]() |
|
| WD-01442 | 16.000 | 8.000 | 0.263 | ![]() |
|
| WD-01443 | 8.720 | 16.000 | 0.238 | ![]() |
|
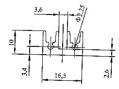
| WD-01444 | 16.500 | 10.000 | 0.210 | ![]() |
|
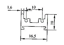
| WD-01445 | 16.500 | 10.000 | 0.238 | ![]() |
|
| WD-01446 | 16.500 | 19.300 | 0.222 | ![]() |
