
Air cooling, water cooling from design to production with thermal simulation service
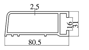
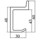
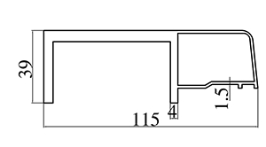
| NO. | Width(mm) | Height(mm) | Weight(kg/m) | Preview | Notes |
| WD-01243 | 115.000 | 39.000 | 2.430 | ![]() |
|
| WD-01244 | 51.000 | 65.000 | 0.781 | ![]() |
|
| WD-01245 | 30.000 | 60.000 | 1.440 | ![]() |
|
| WD-01246 | 80.500 | 31.000 | 1.520 | ![]() |
|
| WD-01247 | 171.000 | 56.000 | 5.750 | ![]() |
|
| WD-01248 | 3510.400 | 7.400 | 0.276 | ![]() |
