
Air cooling, water cooling from design to production with thermal simulation service
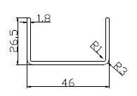
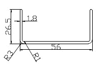
| NO. | Width(mm) | Height(mm) | Weight(kg/m) | Preview | Notes |
| WD-01171 | 76.000 | 60.500 | 0.930 | ![]() |
|
| WD-01172 | 46.000 | 26.500 | 0.453 | ![]() |
|
| WD-01173 | 56.000 | 26.500 | 0.502 | ![]() |
|
| WD-01174 | 71.000 | 26.500 | 0.575 | ![]() |
|
| WD-01175 | 86.000 | 26.500 | 0.648 | ![]() |
|
| WD-01176 | 58.000 | 0.000 | 0.136 | ![]() |
