
Air cooling, water cooling from design to production with thermal simulation service
| NO. | Width(mm) | Height(mm) | Weight(kg/m) | Preview | Notes |
| WD-X1557 | 27.5 | 34 | 1.076 | ![]() |
|
| WD-X1558 | 33 | 15.1 | 1.37 | ![]() |
|
| WD-X1559 | 546 | 96.5 | 31.46 | ![]() |
|
| WD-X1560 | 174 | 56 | 12.37 | ![]() |
|
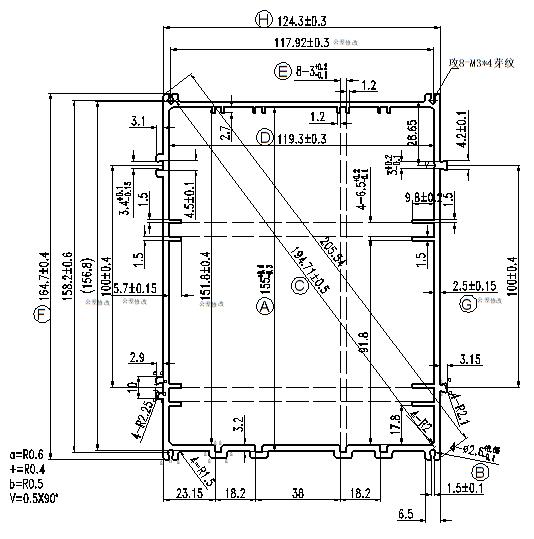
| WD-X1561 | 124.3 | 164.7 | 4.61 | ![]() |
|
| WD-X1562 | 74 | 41 | 4.043 | ![]() |
