
Air cooling, water cooling from design to production with thermal simulation service
| NO. | Width(mm) | Height(mm) | Weight(kg/m) | Preview | Notes |
| WD-X1487 | 153 | 60 | 9.65 | ![]() |
|
| WD-X1488 | 78 | 16 | 1.49 | ![]() |
|
| WD-X1489 | 94.5 | 60 | 5.35 | ![]() |
|
| WD-X1490 | 131.5 | 26.5 | 4.73 | ![]() |
|
| WD-X1491 | 136.5 | 96 | 11.31 | ![]() |
|
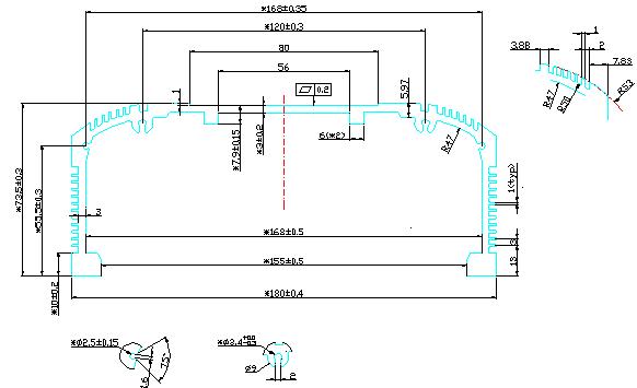
| WD-X1492 | 180 | 73.5 | 4.12 | ![]() |
