
Air cooling, water cooling from design to production with thermal simulation service
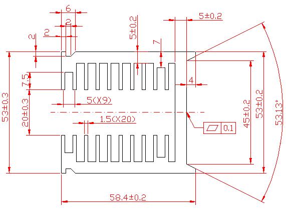
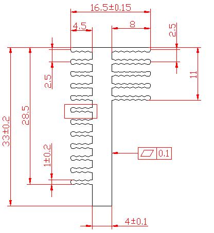
| NO. | Width(mm) | Height(mm) | Weight(kg/m) | Preview | Notes |
| WD-X1263 | 58.4 | 53 | 3.197 | ![]() |
|
| WD-X1264 | 120 | 6 | 1.98 | ![]() |
|
| WD-X1265 | 33 | 15 | 0.641 | ![]() |
|
| WD-X1266 | 33 | 16.5 | 0.581 | ![]() |
|
| WD-X1267 | 130 | 10.5 | 3.75 | ![]() |
|
| WD-X1268 | 260 | 10.5 | 7.51 | ![]() |
