
Air cooling, water cooling from design to production with thermal simulation service
| NO. | Width(mm) | Height(mm) | Weight(kg/m) | Preview | Notes |
| WD-X1164 | 52.3 | 28 | 1.76 | ![]() |
|
| WD-X1165 | 160 | 30.3 | 7.69 | ![]() |
|
| WD-X1166 | 156 | 25 | 2.99 | ![]() |
|
| WD-X1167 | 217 | 78 | 16.43 | ![]() |
|
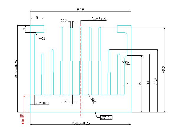
| WD-X1168 | 58.5 | 50.5 | 3.47 | ![]() |
|
| WD-X1169 | 295 | 70 | 19.207 | ![]() |
