
Air cooling, water cooling from design to production with thermal simulation service
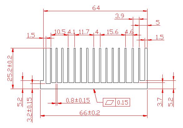
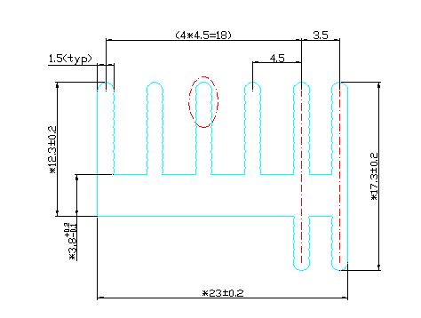
| NO. | Width(mm) | Height(mm) | Weight(kg/m) | Preview | Notes |
| WD-X1140 | 66 | 25.2 | 1.58 | ![]() |
|
| WD-X1141 | 218.4 | 95 | 20.12 | ![]() |
|
| WD-X1142 | 65 | 20 | 1.723 | ![]() |
|
| WD-X1143 | 65 | 26 | 1.89 | ![]() |
|
| WD-X1144 | 50 | 11 | 0.95 | ![]() |
|
| WD-X1145 | 23 | 17.3 | 0.47 | ![]() |
