
Air cooling, water cooling from design to production with thermal simulation service
| NO. | Width(mm) | Height(mm) | Weight(kg/m) | Preview | Notes |
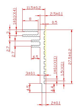
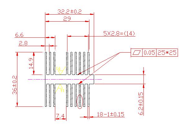
| WD-X1119 | 36 | 32.2 | 1.2 | ![]() |
|
| WD-X1123 | 145 | 10 | 3.65 | ![]() |
|
| WD-X1124 | 99.08 | 9 | 2.461 | ![]() |
|
| WD-X1125 | 215 | 77 | 20.45 | ![]() |
|
| WD-X1126 | 132 | 61 | 7.38 | ![]() |
|
| WD-X1127 | 31.9 | 11.5 | 0.266 | ![]() |
