
Air cooling, water cooling from design to production with thermal simulation service
| NO. | Width(mm) | Height(mm) | Weight(kg/m) | Preview | Notes |
| WD-X1063 | 45.2 | 20.2 | 1.283 | ![]() |
|
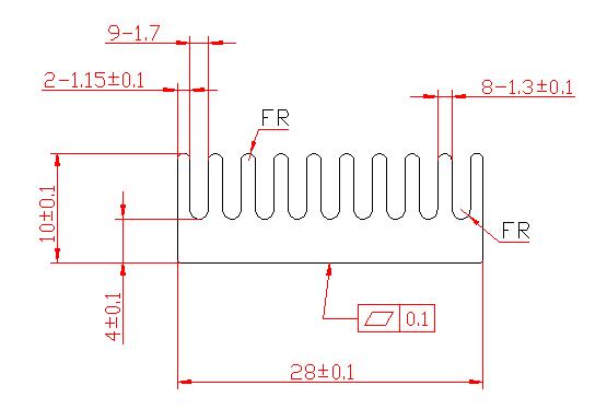
| WD-X1064 | 28 | 10 | 0.522 | ![]() |
|
| WD-X1065 | 270.6 | 37 | 27.85 | ![]() |
|
| WD-X1066 | 300 | 15 | 8.224 | ![]() |
|
| WD-X1067 | 32 | 31.2 | 2.755 | ![]() |
|
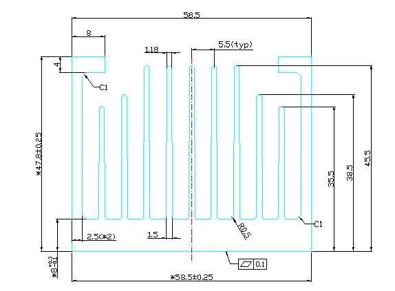
| WD-X1068 | 58.5 | 47.8 | 3.08 | ![]() |
