
Air cooling, water cooling from design to production with thermal simulation service
| NO. | Width(mm) | Height(mm) | Weight(kg/m) | Preview | Notes |
| WD-X1051 | 277.2 | 23.5 | 17.95 | ![]() |
|
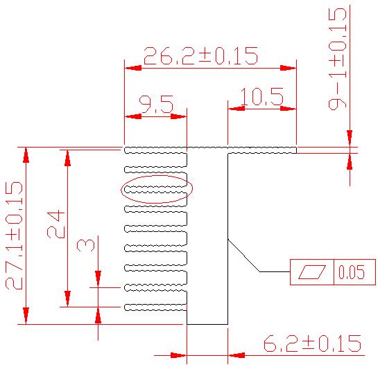
| WD-X1052 | 27.1 | 26.2 | 0.695 | ![]() |
|
| WD-X1053 | 180 | 90.5 | 17.049 | ![]() |
|
| WD-X1054 | 310 | 90.5 | 28.783 | ![]() |
|
| WD-X1055 | 150.45 | 74 | 9.95 | ![]() |
|
| WD-X1056 | 218.6 | 62.7 | 6.591 | ![]() |
