
Air cooling, water cooling from design to production with thermal simulation service
| NO. | Width(mm) | Height(mm) | Weight(kg/m) | Preview | Notes |
| WD-X880 | 291 | 75.5 | 23.887 | ![]() |
|
| WD-X881 | 95 | 8 | 2.098 | ![]() |
|
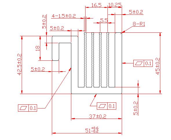
| WD-X882 | 51 | 45 | 2.503 | ![]() |
|
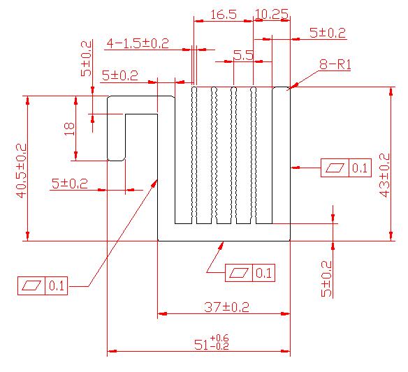
| WD-X883 | 51 | 43 | 2.422 | ![]() |
|
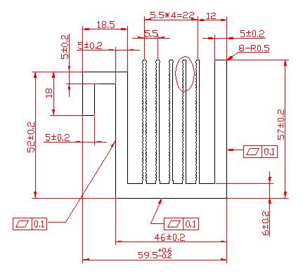
| WD-X884 | 59.5 | 57 | 2.791 | ![]() |
|
| WD-X885 | 106 | 31.4 | 2.207 | ![]() |
