
Air cooling, water cooling from design to production with thermal simulation service
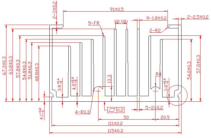
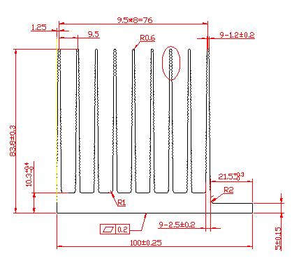
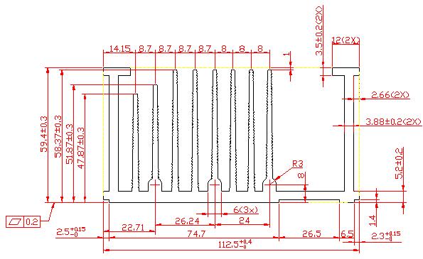
| NO. | Width(mm) | Height(mm) | Weight(kg/m) | Preview | Notes |
| WD-X831 | 160.72 | 61.5 | 7.456 | ![]() |
|
| WD-X832 | 112.5 | 59.4 | 5.496 | ![]() |
|
| WD-X833 | 115 | 67.3 | 5.308 | ![]() |
|
| WD-X834 | 273.5 | 98 | 14.912 | ![]() |
|
| WD-X835 | 273.5 | 98 | 14.869 | ![]() |
|
| WD-X836 | 100 | 83.5 | 5.505 | ![]() |
