
Air cooling, water cooling from design to production with thermal simulation service
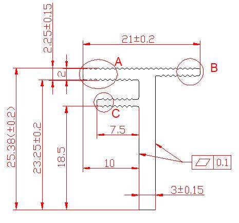
| NO. | Width(mm) | Height(mm) | Weight(kg/m) | Preview | Notes |
| WD-X825 | 25.38 | 21 | 0.318 | ![]() |
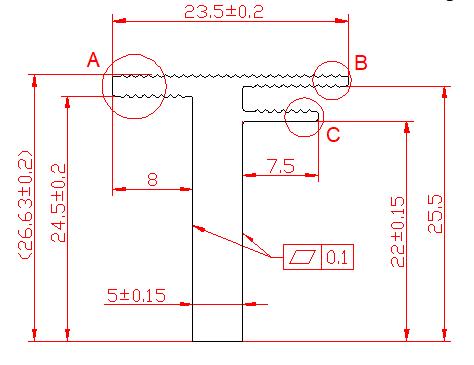
|
| WD-X826 | 26.63 | 23.5 | 0.46 | ![]() |
|
| WD-X827 | 28 | 3 | 0.231 | ![]() |
|
| WD-X828 | 116 | 43 | 5.145 | ![]() |
|
| WD-X829 | 80 | 43 | 3.467 | ![]() |
|
| WD-X830 | 95 | 44 | 4.116 | ![]() |
