
Air cooling, water cooling from design to production with thermal simulation service
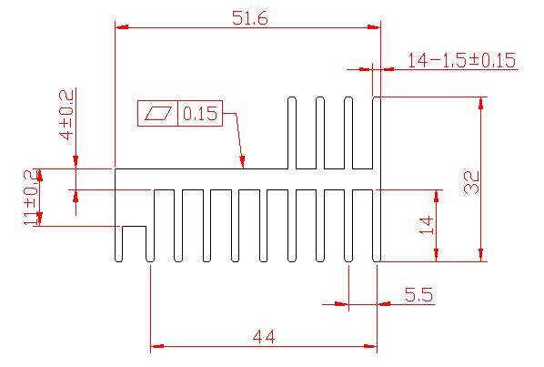
| NO. | Width(mm) | Height(mm) | Weight(kg/m) | Preview | Notes |
| WD-X807 | 27.5 | 28 | 0.47 | ![]() |
|
| WD-X808 | 28.5 | 31 | 0.401 | ![]() |
|
| WD-X809 | 51.6 | 32 | 1.466 | ![]() |
|
| WD-X810 | 40 | 14.8 | 0.87 | ![]() |
|
| WD-X811 | 149 | 82 | 11.226 | ![]() |
|
| WD-X812 | 172 | 77 | 13.048 | ![]() |
