
Air cooling, water cooling from design to production with thermal simulation service
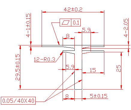
| NO. | Width(mm) | Height(mm) | Weight(kg/m) | Preview | Notes |
| WD-X763 | 29.5 | 42 | 0.609 | ![]() |
|
| WD-X764 | 280 | 20 | 15.456 | ![]() |
|
| WD-X765 | 123.3 | 65 | 9.288 | ![]() |
|
| WD-X766 | 140 | 77 | 11.327 | ![]() |
|
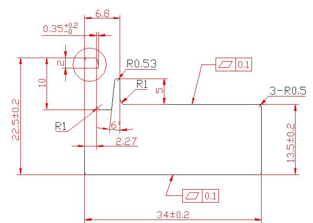
| WD-X767 | 34 | 22.5 | 1.334 | ![]() |
|
| WD-X768 | 449.5 | 20 | 23.583 | ![]() |
