
Air cooling, water cooling from design to production with thermal simulation service
| NO. | Width(mm) | Height(mm) | Weight(kg/m) | Preview | Notes |
| WD-X730 | 258 | 79.8 | 18.754 | ![]() |
|
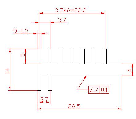
| WD-X731 | 28.5 | 14 | 0.459 | ![]() |
|
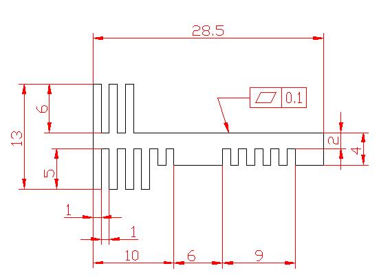
| WD-X732 | 28.5 | 13 | 0.339 | ![]() |
|
| WD-X733 | 260 | 20 | 14.352 | ![]() |
|
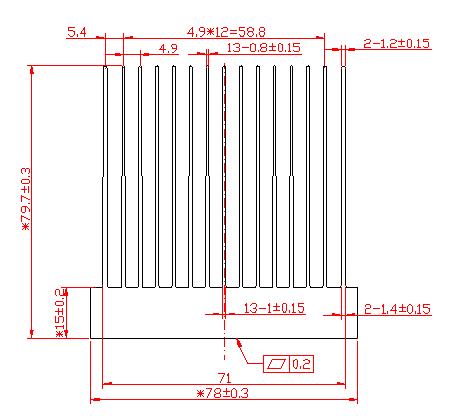
| WD-X734 | 78 | 80 | 5.782 | ![]() |
|
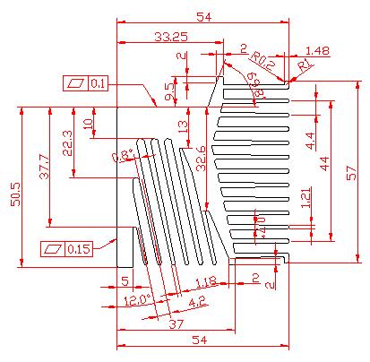
| WD-X735 | 57 | 54 | 4.074 | ![]() |
