
Air cooling, water cooling from design to production with thermal simulation service
| NO. | Width(mm) | Height(mm) | Weight(kg/m) | Preview | Notes |
| WD-X692 | 44 | 24.8 | 1.532 | ![]() |
|
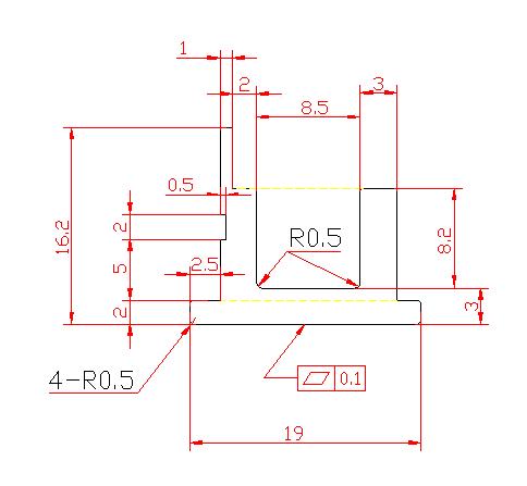
| WD-X693 | 19 | 16.2 | 0.299 | ![]() |
|
| WD-X694 | 45 | 38 | 1.439 | ![]() |
|
| WD-X695 | 342 | 65 | 17.735 | ![]() |
|
| WD-X696 | 119 | 73 | 7.349 | ![]() |
|
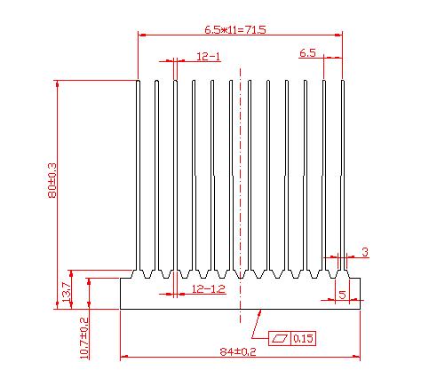
| WD-X697 | 84 | 80 | 5.236 | ![]() |
