
Air cooling, water cooling from design to production with thermal simulation service
| NO. | Width(mm) | Height(mm) | Weight(kg/m) | Preview | Notes |
| WD-X443 | 40 | 3.5 | 0.39 | ![]() |
|
| WD-X444 | 30.5 | 15.2 | 0.625 | ![]() |
|
| WD-X445 | 136 | 32 | 4.44 | ![]() |
|
| WD-X446 | 50 | 10 | 1.36 | ![]() |
|
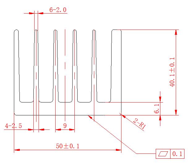
| WD-X447 | 50 | 40.1 | 2.1 | ![]() |
|
| WD-X448 | 108 | 40 | 5.18 | ![]() |
