
Air cooling, water cooling from design to production with thermal simulation service
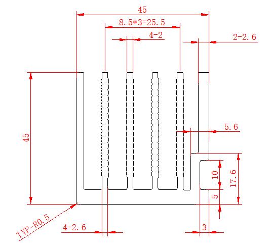
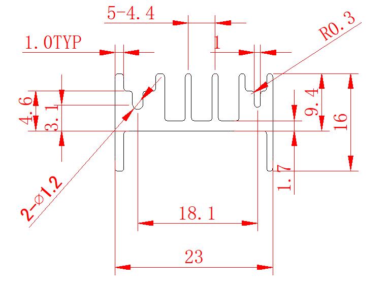
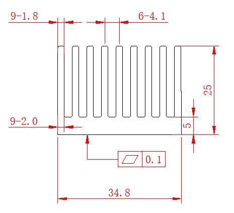
| NO. | Width(mm) | Height(mm) | Weight(kg/m) | Preview | Notes |
| WD-X437 | 34.8 | 25 | 1.26 | ![]() |
|
| WD-X438 | 83 | 10 | 1.16 | ![]() |
|
| WD-X439 | 120 | 30 | 3.8 | ![]() |
|
| WD-X440 | 23.5 | 16 | 0.317 | ![]() |
|
| WD-X441 | 23 | 16 | 0.31 | ![]() |
|
| WD-X442 | 45 | 45 | 2.14 | ![]() |
