
Air cooling, water cooling from design to production with thermal simulation service
| NO. | Width(mm) | Height(mm) | Weight(kg/m) | Preview | Notes |
| WD-X425 | 201.5 | 15 | 7.42 | ![]() |
|
| WD-X426 | 78.7 | 7 | 0.49 | ![]() |
|
| WD-X427 | 229.6 | 104.2 | 18.63 | ![]() |
|
| WD-X428 | 7 | 4 | 0.08 | ![]() |
|
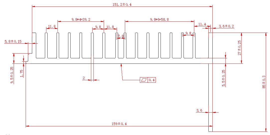
| WD-X429 | 159 | 85 | 4.8 | ![]() |
|
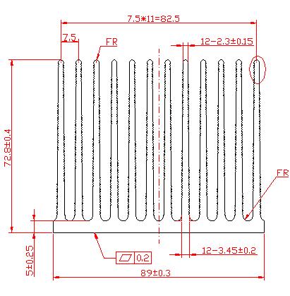
| WD-X430 | 89 | 72.8 | 7.261 | ![]() |
