
Air cooling, water cooling from design to production with thermal simulation service
| NO. | Width(mm) | Height(mm) | Weight(kg/m) | Preview | Notes |
| WD-X413 | 30 | 8 | 0.66 | ![]() |
|
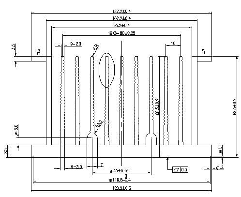
| WD-X414 | 122.2 | 68.5 | 7.78 | ![]() |
|
| WD-X415 | 157.8 | 85 | 8.17 | ![]() |
|
| WD-X416 | 91 | 21 | 1.97 | ![]() |
|
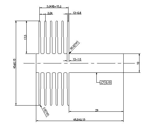
| WD-X417 | 46.5 | 45 | 1.84 | ![]() |
|
| WD-X418 | 188 | 20.1 | 9.53 | ![]() |
