
Air cooling, water cooling from design to production with thermal simulation service
| NO. | Width(mm) | Height(mm) | Weight(kg/m) | Preview | Notes |
| WD-X294 | 142 | 56 | 7.97 | ![]() |
|
| WD-X295 | 115 | 10.1 | 1.77 | ![]() |
|
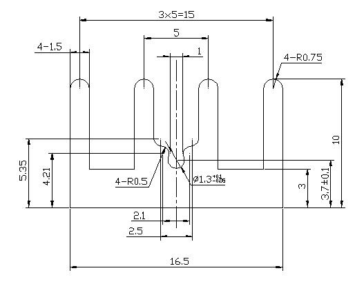
| WD-X296 | 16.5 | 10 | 0.262 | ![]() |
|
| WD-X297 | 38.2 | 13 | 1.113 | ![]() |
|
| WD-X298 | 125.5 | 85 | 6.28 | ![]() |
|
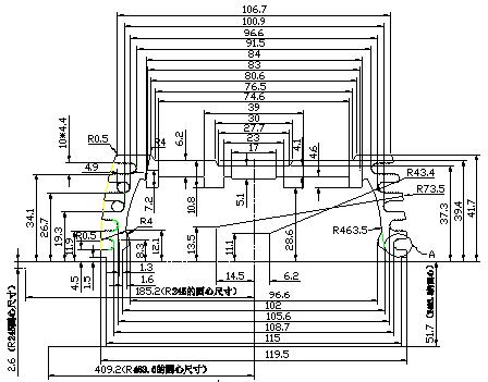
| WD-X299 | 119.5 | 41.7 | 3.28 | ![]() |
