
Air cooling, water cooling from design to production with thermal simulation service
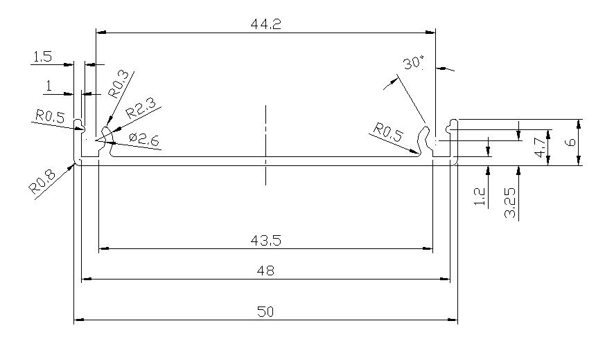
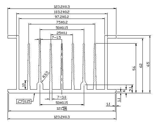
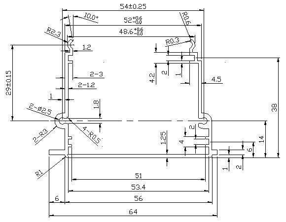
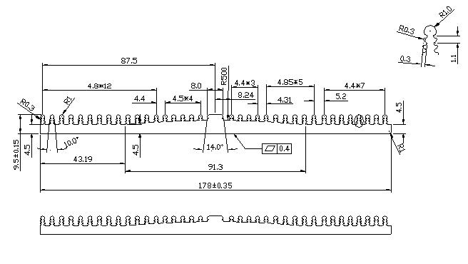
| NO. | Width(mm) | Height(mm) | Weight(kg/m) | Preview | Notes |
| WD-X282 | 50 | 6 | 0.22 | ![]() |
|
| WD-X283 | 64 | 45.3 | 0.64 | ![]() |
|
| WD-X284 | 123.2 | 65 | 4.66 | ![]() |
|
| WD-X285 | 100 | 52 | 4.39 | ![]() |
|
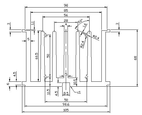
| WD-X286 | 105 | 68 | 7.22 | ![]() |
|
| WD-X287 | 178 | 9.5 | 3.31 | ![]() |
