
Air cooling, water cooling from design to production with thermal simulation service
| NO. | Width(mm) | Height(mm) | Weight(kg/m) | Preview | Notes |
| WD-X243 | 28 | 8 | 0.377 | ![]() |
|
| WD-X244 | 50 | 35 | 1.6 | ![]() |
|
| WD-X245 | 182.5 | 44.5 | 7.271 | ![]() |
|
| WD-X246 | 160 | 13 | 5.524 | ![]() |
|
| WD-X247 | 114 | 69 | 8.91 | ![]() |
|
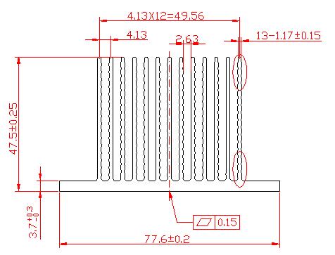
| WD-X248 | 77.6 | 47.5 | 2.96 | ![]() |
