
Air cooling, water cooling from design to production with thermal simulation service
| NO. | Width(mm) | Height(mm) | Weight(kg/m) | Preview | Notes |
| WD-X181 | 201.5 | 86.4 | 14.144 | ![]() |
|
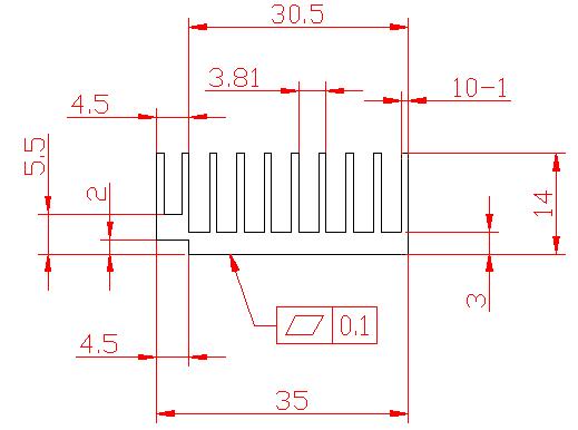
| WD-X182 | 30.5 | 35 | 0.722 | ![]() |
|
| WD-X183 | 7 | 130 | 1.267 | ![]() |
|
| WD-X184 | 79.5 | 24 | 1.35 | ![]() |
|
| WD-X185 | 35 | 14 | 0.584 | ![]() |
|
| WD-X186 | 127 | 28.6 | 3.73 | ![]() |
