
Air cooling, water cooling from design to production with thermal simulation service
| NO. | Width(mm) | Height(mm) | Weight(kg/m) | Preview | Notes |
| WD-X175 | 69 | 41 | 2.67 | ![]() |
|
| WD-X176 | 335 | 43.3 | 17.3 | ![]() |
|
| WD-X177 | 40 | 20 | 1.114 | ![]() |
|
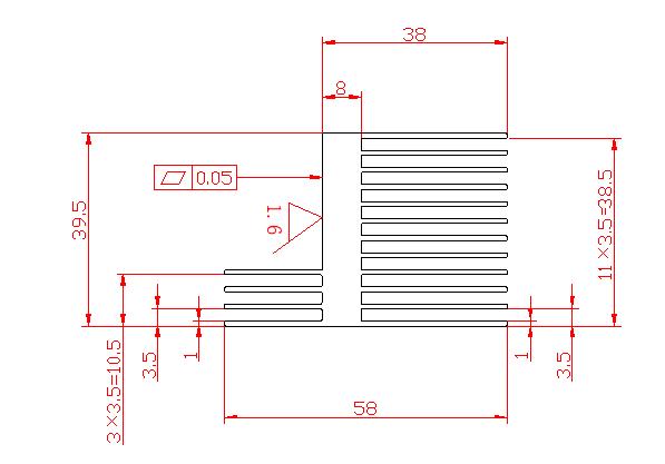
| WD-X178 | 39.5 | 58 | 2.1 | ![]() |
|
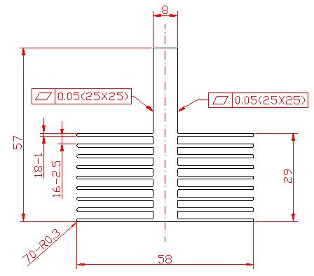
| WD-X179 | 58 | 57 | 2.55 | ![]() |
|
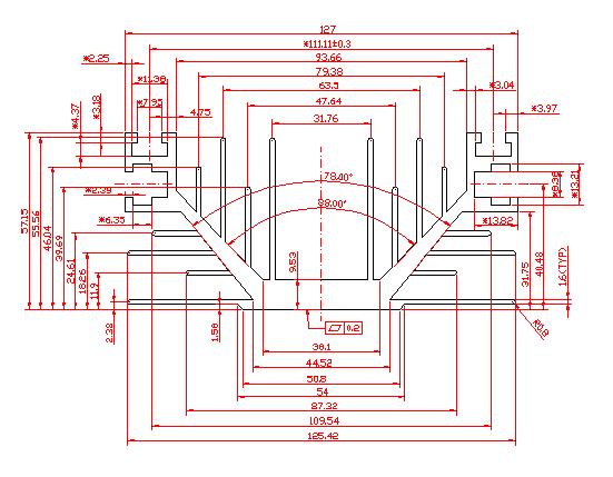
| WD-X180 | 127 | 57.15 | 5.27 | ![]() |
