
Air cooling, water cooling from design to production with thermal simulation service
| NO. | Width(mm) | Height(mm) | Weight(kg/m) | Preview | Notes |
| WD-X156 | 54.5 | 7.8 | 0.561 | ![]() |
|
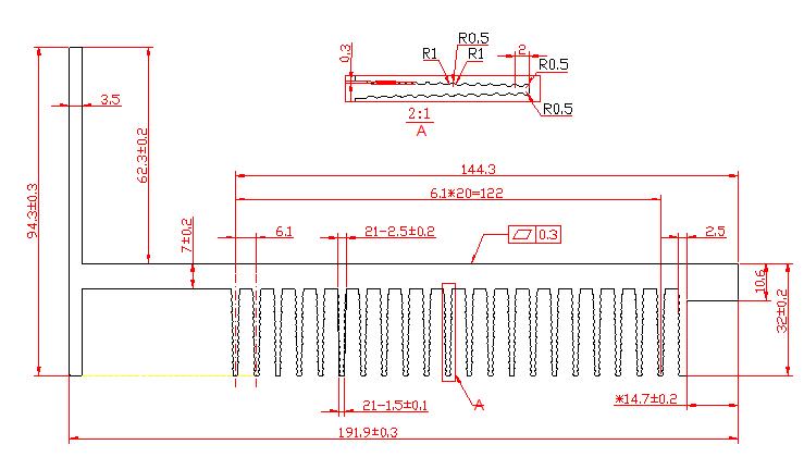
| WD-X157 | 191.9 | 94.3 | 7.278 | ![]() |
|
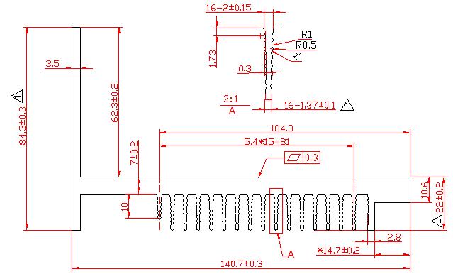
| WD-X158 | 140.7 | 79.3 | 4.585 | ![]() |
|
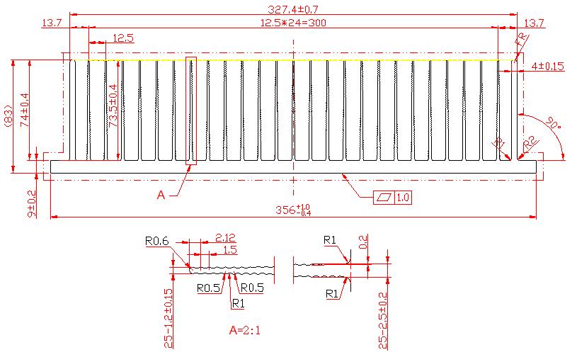
| WD-X159 | 356 | 83 | 18.671 | ![]() |
|
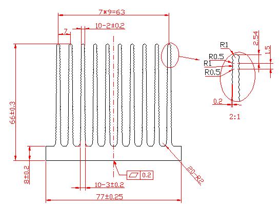
| WD-X160 | 77 | 66 | 5.372 | ![]() |
|
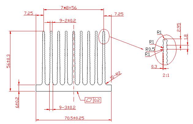
| WD-X161 | 70.5 | 56 | 3.886 | ![]() |
