
Air cooling, water cooling from design to production with thermal simulation service
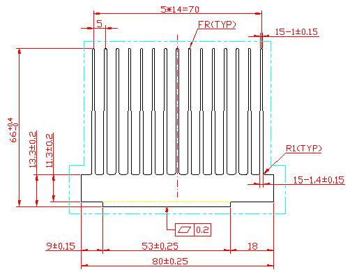
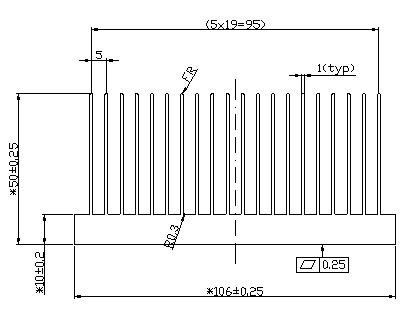
| NO. | Width(mm) | Height(mm) | Weight(kg/m) | Preview | Notes |
| WD-X135 | 80 | 66 | 5.395 | ![]() |
|
| WD-X136 | 106 | 50 | 5.11 | ![]() |
|
| WD-X137 | 51.2 | 45.58 | 0.834 | ![]() |
|
| WD-X139 | 58.5 | 28 | 1.86 | ![]() |
|
| WD-X141 | 160 | 30 | 4.848 | ![]() |
|
| WD-X142 | 168 | 69 | 13.15 | ![]() |
