
Air cooling, water cooling from design to production with thermal simulation service
| NO. | Width(mm) | Height(mm) | Weight(kg/m) | Preview | Notes |
| WD-X114 | 65.8 | 45 | 3.069 | ![]() |
|
| WD-X115 | 140 | 44 | 6.68 | ![]() |
|
| WD-X116 | 80 | 48 | 4.204 | ![]() |
|
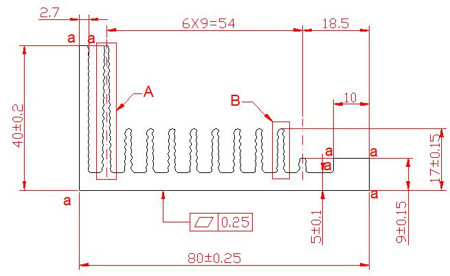
| WD-X117 | 80 | 40 | 2.506 | ![]() |
|
| WD-X121 | 230 | 14.3 | 9.045 | ![]() |
|
| WD-X122 | 80 | 40 | 2.25 | ![]() |
