
Air cooling, water cooling from design to production with thermal simulation service
| NO. | Width(mm) | Height(mm) | Weight(kg/m) | Preview | Notes |
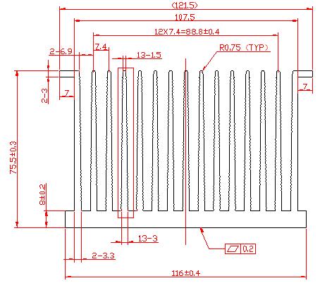
| WD-X83 | 116 | 75.5 | 9.65 | ![]() |
|
| WD-X84 | 155.5 | 80 | 13.05 | ![]() |
|
| WD-X85 | 143 | 80 | 10.99 | ![]() |
|
| WD-X86 | 172 | 86.7 | 9.004 | ![]() |
|
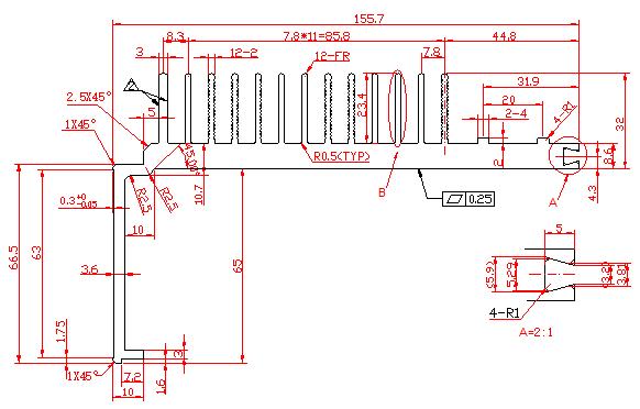
| WD-X87 | 155.7 | 97 | 5.786 | ![]() |
|
| WD-X88 | 360 | 8 | 6.65 | ![]() |
