
Air cooling, water cooling from design to production with thermal simulation service
| NO. | Width(mm) | Height(mm) | Weight(kg/m) | Preview | Notes |
| WD-X71 | 123 | 51.5 | 6.883 | ![]() |
|
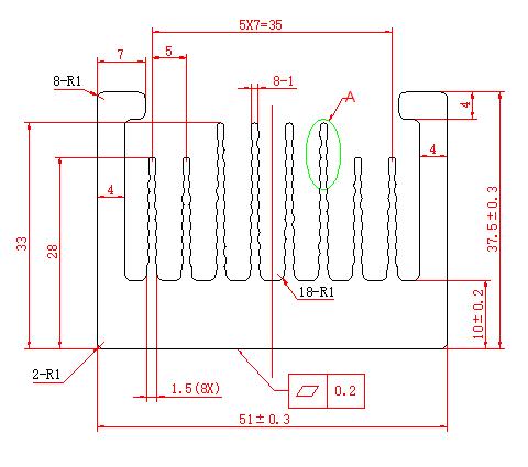
| WD-X72 | 51 | 37.5 | 2.547 | ![]() |
|
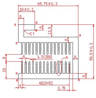
| WD-X73 | 59.5 | 65.75 | 4.445 | ![]() |
|
| WD-X74 | 150.5 | 25 | 4.589 | ![]() |
|
| WD-X75 | 97.5 | 53 | 2.542 | ![]() |
|
| WD-X76 | 111.7 | 56.3 | 5.75 | ![]() |
