
Air cooling, water cooling from design to production with thermal simulation service
| NO. | Width(mm) | Height(mm) | Weight(kg/m) | Preview | Notes |
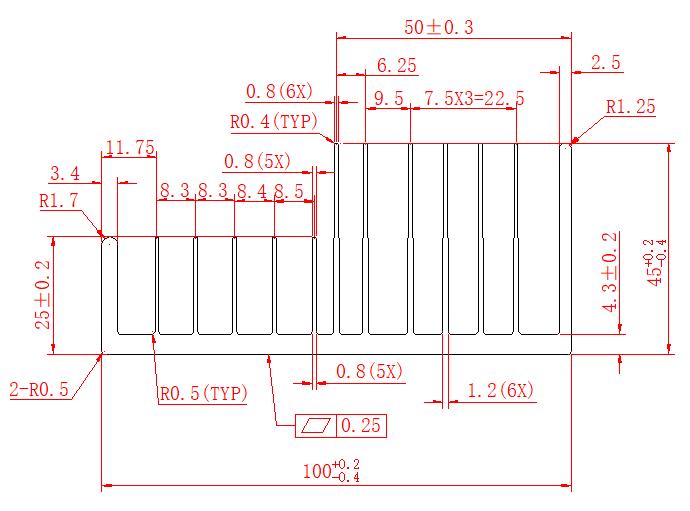
| WD-X17 | 100 | 25/45 | 2.96 | ![]() |
|
| WD-X18 | 263.4 | 94.23 | 22.702 | ![]() |
|
| WD-X19 | 150 | 55 | 6.66 | ![]() |
|
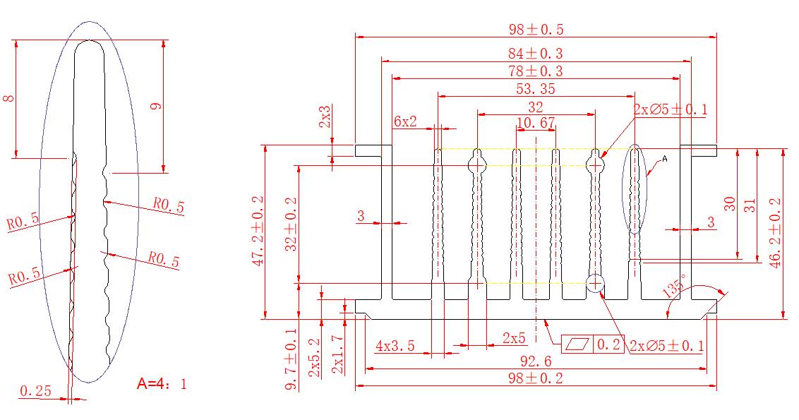
| WD-X20 | 98 | 47.2 | 4.063 | ![]() |
|
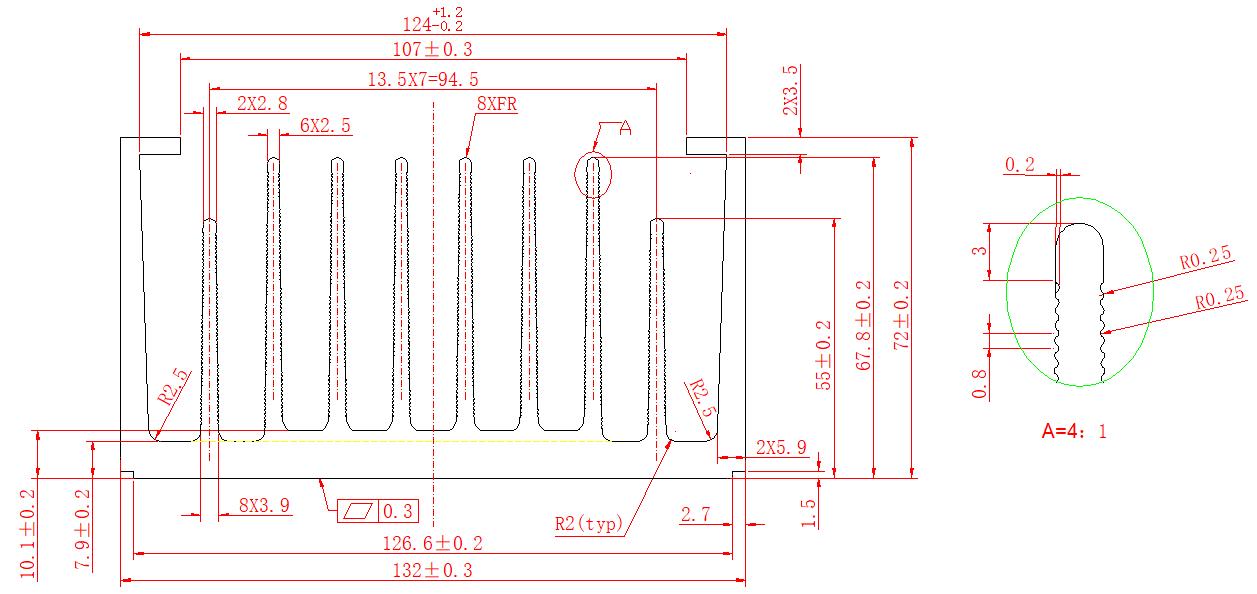
| WD-X21 | 132 | 72 | 8.999 | ![]() |
|
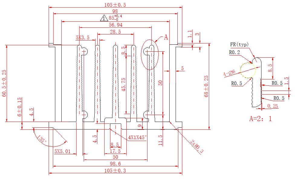
| WD-X22 | 105 | 68 | 7.036 | ![]() |
