
Air cooling, water cooling from design to production with thermal simulation service
| NO. | Width(mm) | Height(mm) | Weight(kg/m) | Preview | Notes |
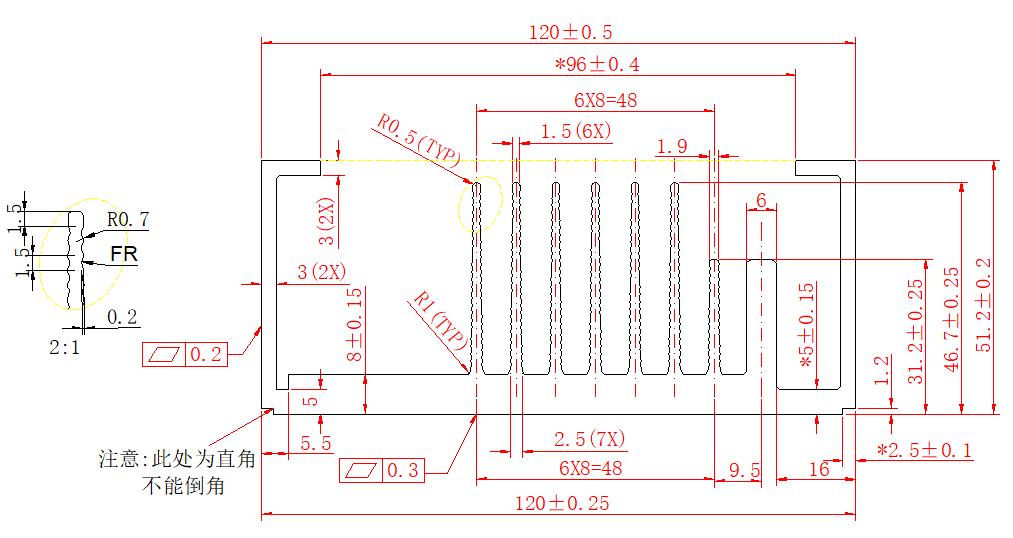
| WD-X11 | 120 | 51.2 | 5.16 | ![]() |
|
| WD-X12 | 140 | 60 | 8.07 | ![]() |
|
| WD-X13 | 344 | 87.6 | 7.5 | ![]() |
|
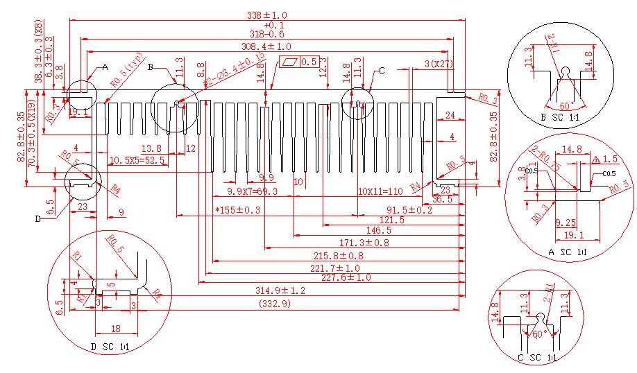
| WD-X14 | 338 | 82.8 | 20.65 | ![]() |
|
| WD-X15 | 120 | 55 | 5.62 | ![]() |
|
| WD-X16 | 100 | 49 | 2.945 | ![]() |
