
Air cooling, water cooling from design to production with thermal simulation service
| NO. | Width(mm) | Height(mm) | Weight(kg/m) | Preview | Notes |
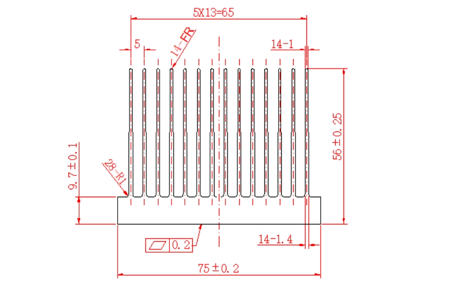
| WD-X5 | 75 | 56 | 4.16 | ![]() |
|
| WD-X6 | 147.2 | 71.6 | 9.75 | ![]() |
|
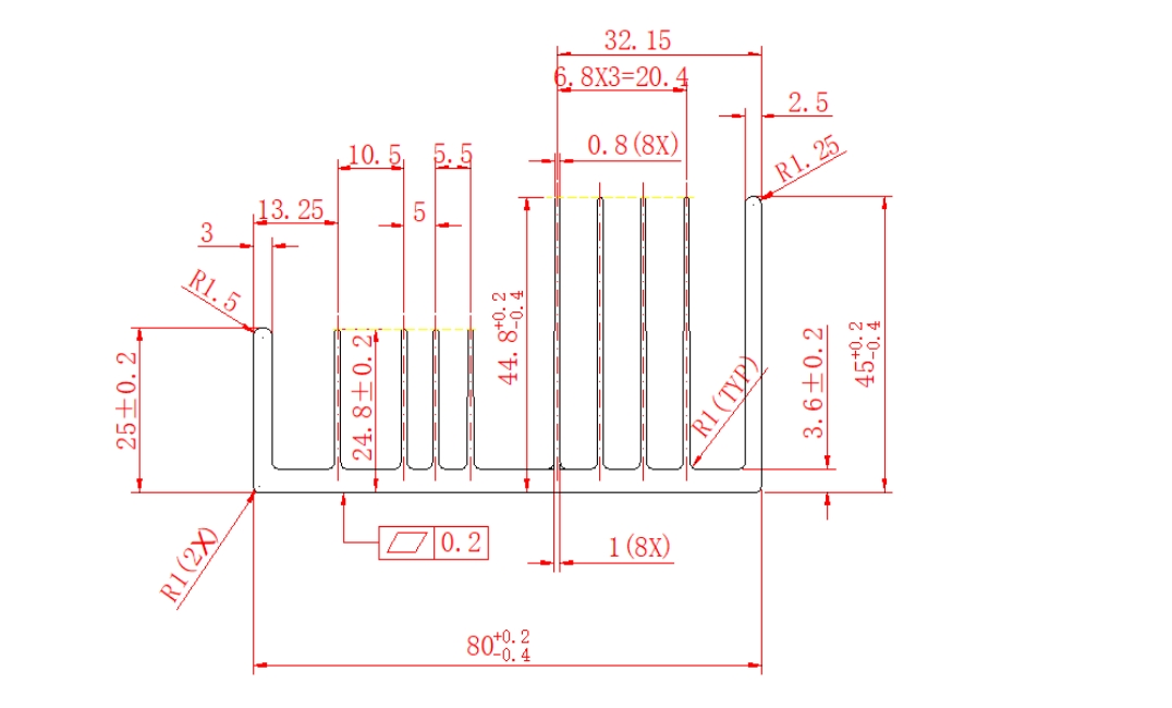
| WD-X7 | 80 | 45 | 1.97 | ![]() |
|
| WD-X8 | 180 | 80.2 | 9.318 | ![]() |
|
| WD-X9 | 190 | 74.2 | 8.915 | ![]() |
|
| WD-X10 | 180 | 80.2 | 10.655 | ![]() |
