
Air cooling, water cooling from design to production with thermal simulation service
| NO. | Width(mm) | Height(mm) | Weight(kg/m) | Preview | Notes |
| WD-08161 | 200.000 | 25.000 | 6.180 | ![]() |
|
| WD-08162 | 200.000 | 17.000 | 2.230 | ![]() |
|
| WD-08163 | 200.000 | 25.700 | 6.345 | ![]() |
|
| WD-08164 | 205.000 | 16.000 | 8.920 | ![]() |
|
| WD-08165 | 200.000 | 11.500 | 6.256 | ![]() |
|
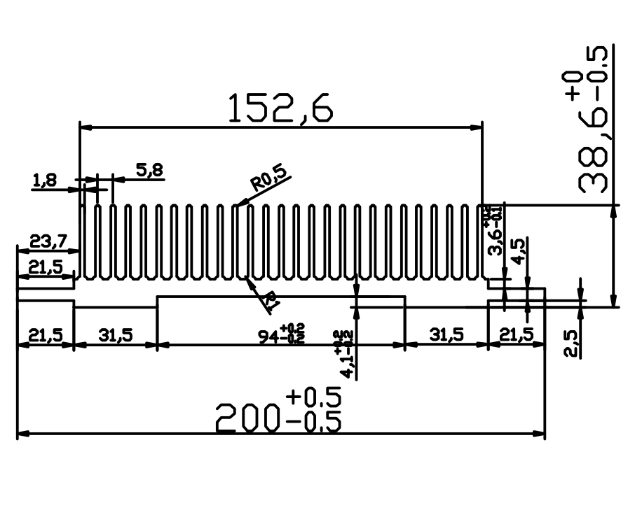
| WD-08166 | 200.000 | 38.600 | 7.730 | ![]() |
