
Air cooling, water cooling from design to production with thermal simulation service
| NO. | Width(mm) | Height(mm) | Weight(kg/m) | Preview | Notes |
| WD-08053 | 170.800 | 56.300 | 5.500 | ![]() |
|
| WD-08054 | 173.200 | 20.000 | 2.100 | ![]() |
|
| WD-08055 | 170.000 | 20.000 | 2.660 | ![]() |
|
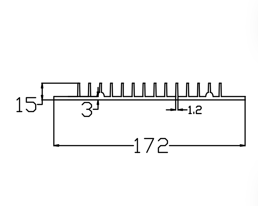
| WD-08056 | 172.000 | 15.000 | 2.285 | ![]() |
|
| WD-08057 | 170.000 | 49.000 | 4.800 | ![]() |
|
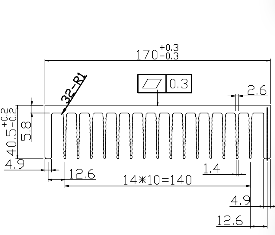
| WD-08058 | 170.000 | 40.500 | 6.040 | ![]() |
