
Air cooling, water cooling from design to production with thermal simulation service
| NO. | Width(mm) | Height(mm) | Weight(kg/m) | Preview | Notes |
| WD-07771 | 130.000 | 58.000 | 10.920 | ![]() |
|
| WD-07772 | 135.000 | 30.000 | 3.870 | ![]() |
|
| WD-07773 | 132.000 | 65.300 | 9.600 | ![]() |
|
| WD-07774 | 131.310 | 15.200 | 1.840 | ![]() |
|
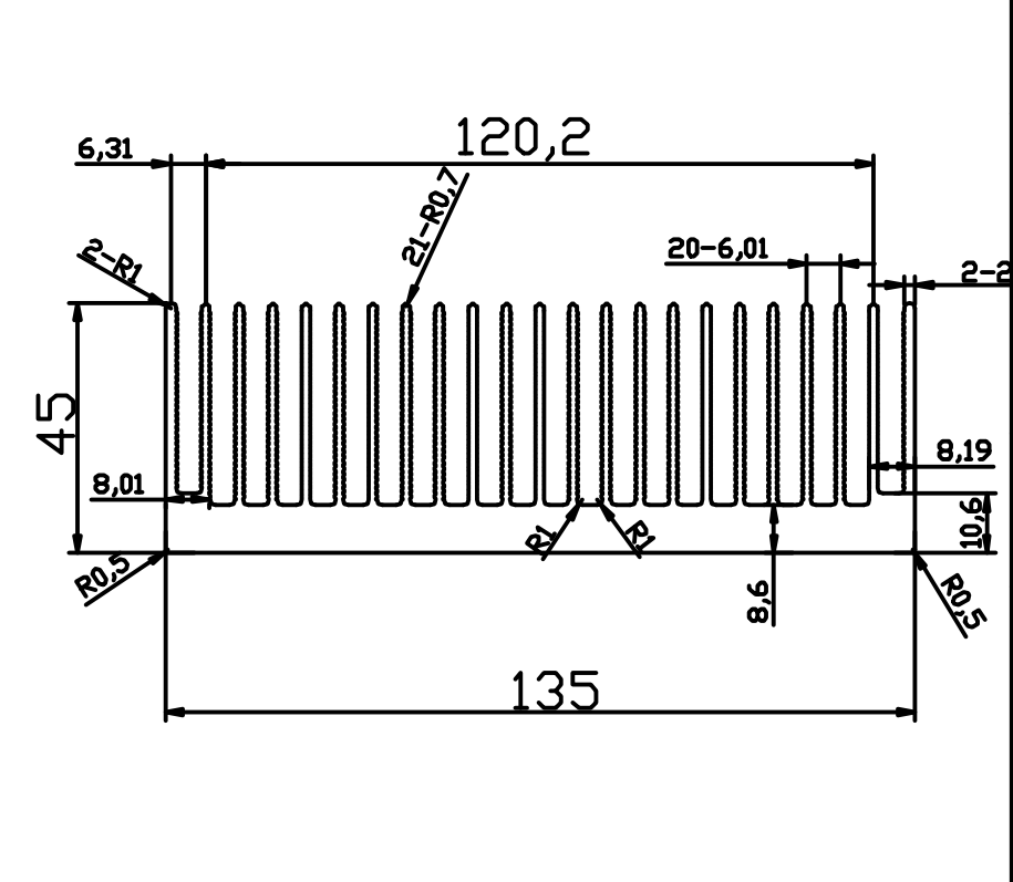
| WD-07775 | 135.000 | 45.000 | 6.054 | ![]() |
|
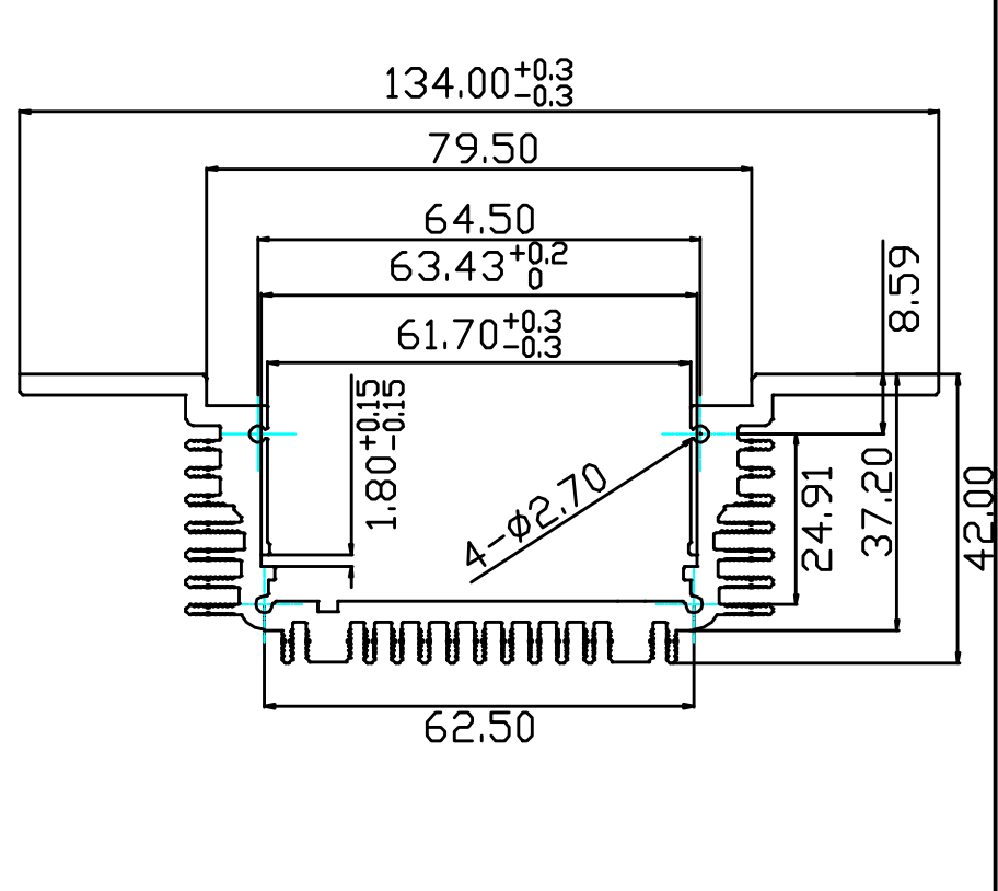
| WD-07776 | 134.000 | 42.000 | 2.698 | ![]() |
