
Air cooling, water cooling from design to production with thermal simulation service
| NO. | Width(mm) | Height(mm) | Weight(kg/m) | Preview | Notes |
| WD-07759 | 132.000 | 61.000 | 7.630 | ![]() |
|
| WD-07760 | 139.000 | 10.200 | 1.890 | ![]() |
|
| WD-07761 | 130.000 | 55.000 | 7.180 | ![]() |
|
| WD-07762 | 132.860 | 108.000 | 5.300 | ![]() |
|
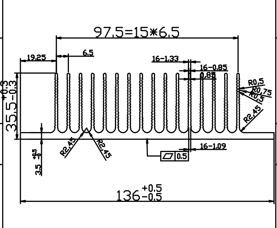
| WD-07763 | 136.000 | 35.500 | 3.128 | ![]() |
|
| WD-07764 | 132.700 | 10.300 | 1.770 | ![]() |
