
Air cooling, water cooling from design to production with thermal simulation service
| NO. | Width(mm) | Height(mm) | Weight(kg/m) | Preview | Notes |
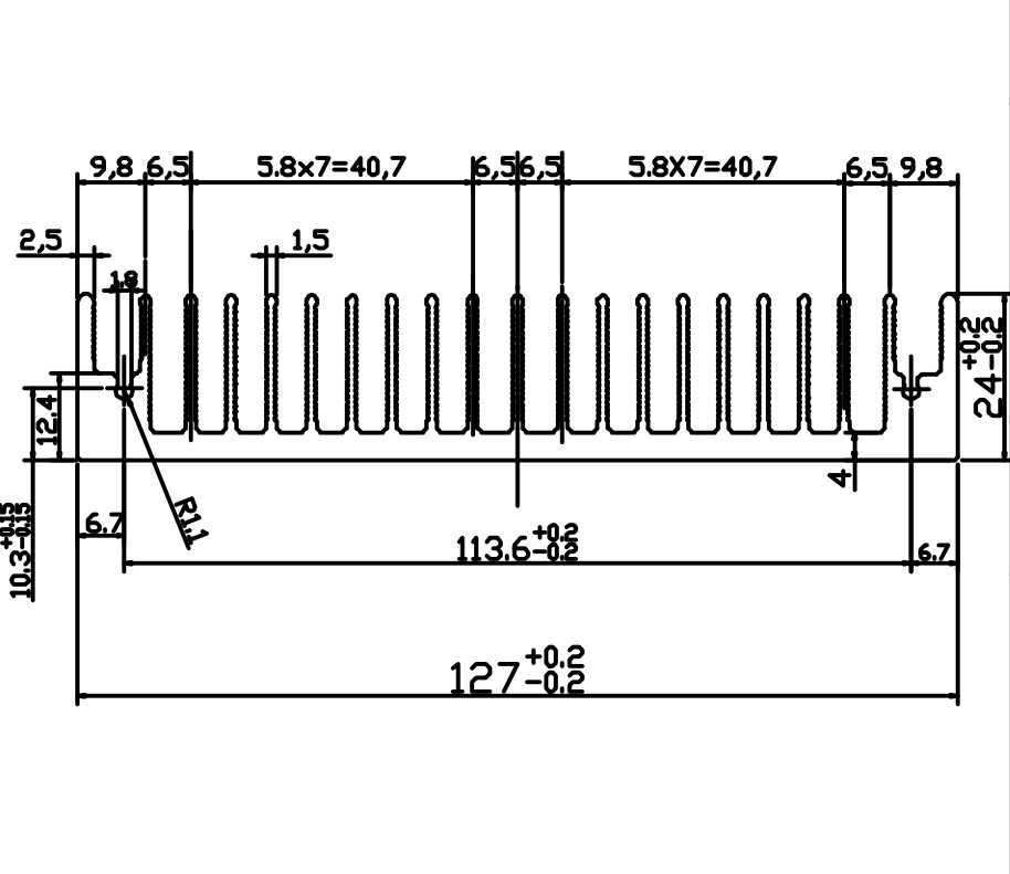
| WD-07669 | 127.000 | 24.000 | 3.450 | ![]() |
|
| WD-07670 | 127.000 | 52.000 | 7.020 | ![]() |
|
| WD-07671 | 128.500 | 68.000 | 6.830 | ![]() |
|
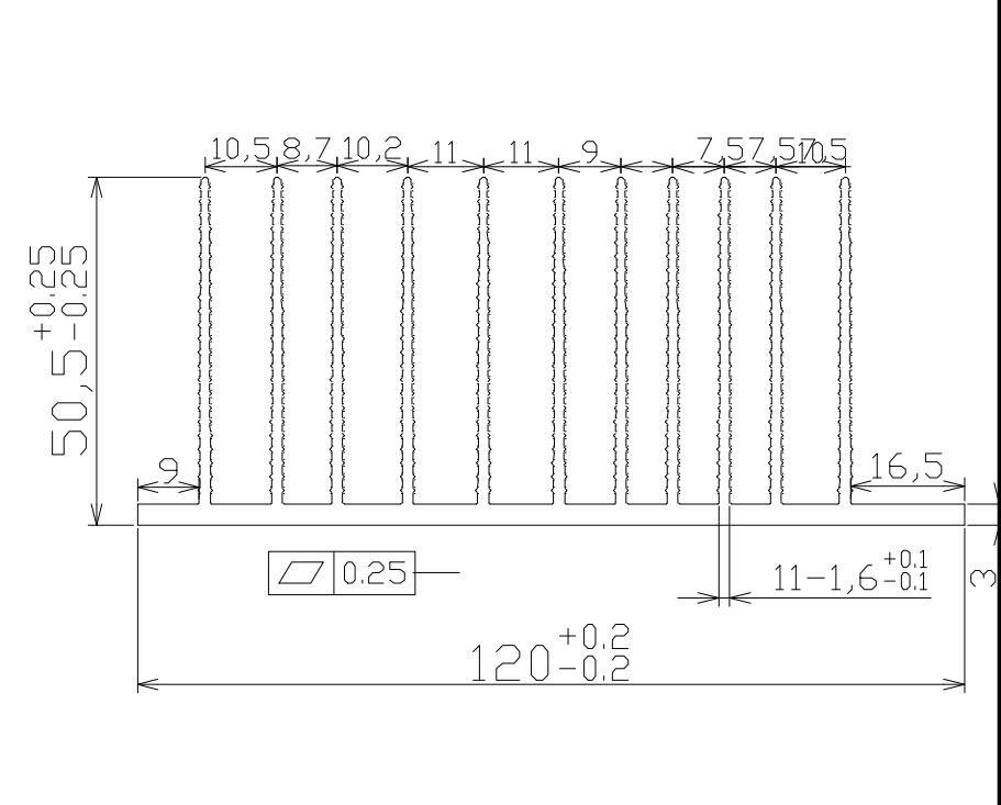
| WD-07672 | 120.000 | 50.500 | 3.236 | ![]() |
|
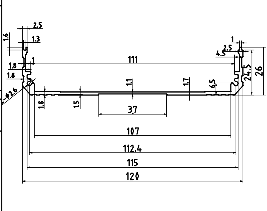
| WD-07673 | 120.000 | 26.000 | 0.793 | ![]() |
|
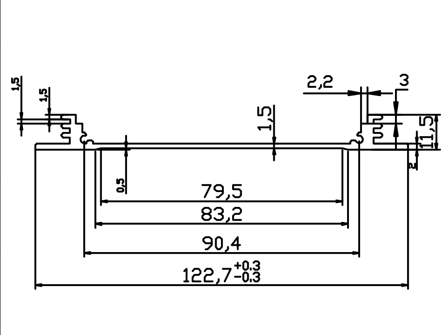
| WD-07674 | 122.700 | 11.500 | 0.810 | ![]() |
